製品概要
製品概要
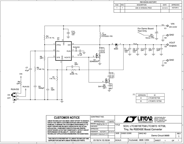
Demonstration circuit 989B-A is a single-output boost converter featuring the NO RSENSE LTC3872, a nonsynchronous tiny, boost controller. The input voltage is from 3.0V to 4.5V without output de-rating. The demo board has a 5V@2A (max) output. The minimum input voltage is 2.75V. When the input voltage is lower than 3V, output current should be de-rated. NO RSENSE technique reduces both solution size and power dissipation. The switching frequency is fixed at 550 kHz. With current mode control and OPTI-LOOP compensation, DC989B-A can be optimized to provide fast transient response.
対象となる製品
関連資料
-
DC989B-A - Schematic2014/04/09PDF38K
-
DC989B-A - Demo Manual2014/04/09PDF124K
-
DC989B-A - Design File2014/04/09ZIP1M
