製品概要
製品概要
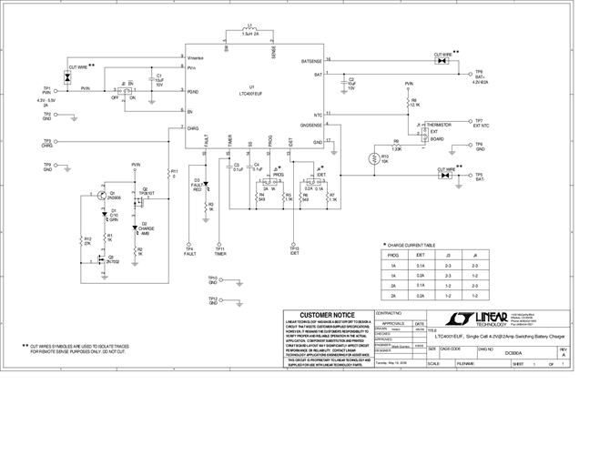
DC930A: Demo Board for the LTC4001 2A Synchronous Buck Li-Ion Charger.
対象となる製品
関連資料
-
DC930A - Schematic2009/09/24PDF32K
-
DC930A - Demo Manual2009/09/24PDF449K
-
DC930A - Design File2009/09/24ZIP554K
