製品概要
製品概要
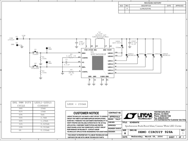
DC928A: Demo Board for the LTC3452 Synchronous Buck-Boost MAIN/CAMERA White LED Driver.
対象となる製品
関連資料
-
DC928A - Schematic2009/09/24PDF259K
-
DC928A - Demo Manual2009/09/24PDF332K
-
DC928A - Design File2009/09/24ZIP1M
