製品概要
製品概要
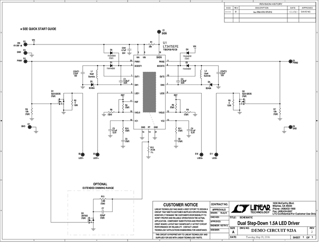
DC923A: Demo Board for the LT3475/LT3475-1 Dual Step-Down 1.5A LED Driver
対象となる製品
関連資料
-
DC923A - Schematic2009/09/24PDF325K
-
DC923A - Demo Manual2009/09/24PDF428K
-
DC923A - Design File2009/09/24ZIP526K




