製品概要
製品概要
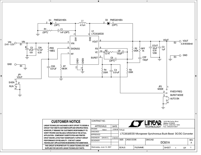
Demonstration circuit 921 is a micropower synchronous buck-boost converter based on the LTC3532 monolithic buck-boost regulator. The DC921 has an input voltage range of 2.4 V to 5.5V and an output of 3.3V @ 300mA.
対象となる製品
関連資料
-
DC921A - Schematic2009/09/24PDF30K
-
DC921A - Demo Manual2009/09/24PDF371K
-
DC921A - Design File2009/09/24ZIP563K
