製品概要
製品概要
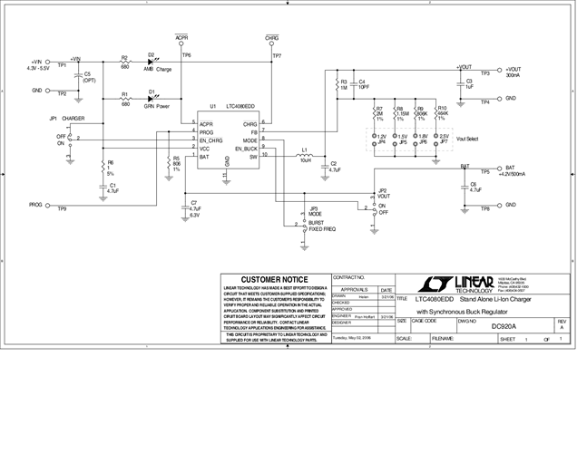
DC920A: Demo Board for the LTC4080 500mA Standalone Li-Ion Charger with Integrated 300mA Synchronous Buck.
対象となる製品
関連資料
-
DC920A - Schematic2009/09/24PDF30K
-
DC920A - Demo Manual2009/09/24PDF130K
-
DC920A - Design File2009/09/24ZIP591K
