製品概要
製品概要
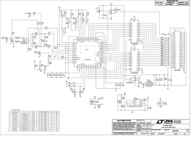
DC919A-H: Demo Board for the LTC2206-14 14-Bit, 80Msps ADC.
対象となる製品
関連資料
-
DC919A - Schematic2013/10/08PDF59K
-
DC919A - Demo Manual2012/05/18PDF243K
-
DC919A - Design Files2013/10/08ZIP0M
