製品概要
製品概要
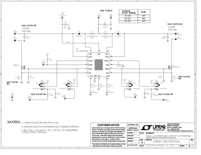
Demonstration circuit 876 is a dual step-up white LED driver with wide dimming range featuring the LT3486. The board is optimized to drive a string of six, eight, or ten white LEDs at 100mA from each of its two outputs with a PVIN input voltage range of 3V to 25V. The maximum LED output voltage must be less than 36V as the overvoltage protection at the output will limit the maximum output voltage to 36V in the case of an open circuit load.
The high input voltage range, high-efficiency low-side internal 1.3A NPN power switches, ground-referenced low-voltage current sense resistors, PWM pins for 1000:1 dimming ratio, control pins for brightness adjust, overvoltage protection, shutdown control pin, externally programmable switching frequency, low shutdown current and internal soft-start capacitor make the LT3486 an extremely powerful and versatile LED driving IC for portable applications and displays.
対象となる製品
関連資料
-
DC876A - Schematic2009/09/24PDF74K
-
DC876A - Demo Manual2009/09/24PDF554K
-
DC876A - Design File2009/09/24ZIP741K
