製品概要
製品概要
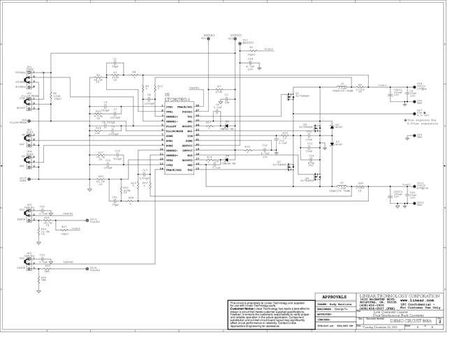
DC868A: Demo Board for the LTC3827-1 Low IQ, Dual, 2-Phase Synchronous Step-Down Controller.
対象となる製品
関連資料
-
DC868A - Schematic2009/09/24PDF449K
-
DC868A - Demo Manual2009/09/24PDF387K
-
DC868A - Design File2009/09/24ZIP414K
