製品概要
製品概要
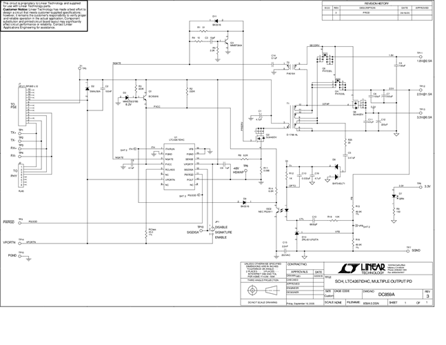
DC859A: Demo Board for the LTC4267 Power over Ethernet IEEE 802.3af PD Interface with Integrated Switching Regulator.
対象となる製品
関連資料
-
DC859A - Schematic2009/09/24PDF46K
-
DC859A - Demo Manual2009/09/24PDF348K
-
DC859A - Design File2009/09/24ZIP964K
