製品概要
製品概要
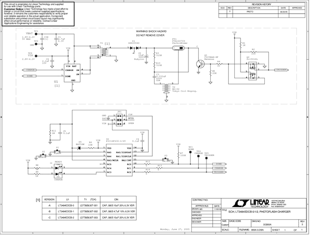
DC855A-C: Demo Board for the LT3484 Photoflash Capacitor Charger.
対象となる製品
関連資料
-
DC855A - Schematic2009/09/24PDF40K
-
DC855A - Demo Manual2009/09/24PDF192K
-
DC855A - Design File2009/09/24ZIP702K
