製品概要
製品概要
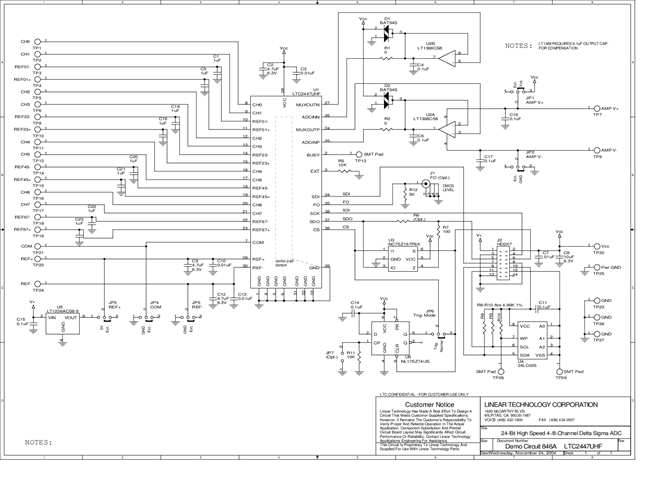
DC846A: Demo Board for the LTC2447 24-Bit High Speed 8-Channel Delta Sigma ADCs with Selectable Multiple Reference Inputs.
対象となる製品
関連資料
-
DC846A - Schematic2009/09/24PDF31K
-
DC846A - Demo Manual2012/06/19PDF198K
-
DC846A - Design File2009/09/24ZIP644K
