製品概要
製品概要
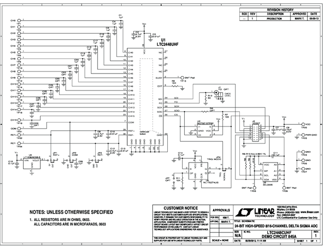
DC845A: Demo Board for the LTC2448 24-Bit High Speed 8-/16-Channel Delta Sigma ADCs with Selectable Speed/Resolution.
対象となる製品
関連資料
-
DC845A - Schematic2013/06/14PDF40K
-
DC845A - Demo Manual2013/06/20PDF563K
-
DC845A - Design File2013/06/14ZIP878K




