製品概要
製品概要
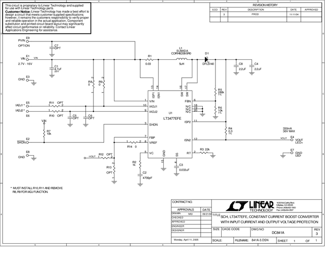
Demonstration circuit 841 is a constant current LED boost converter with input current and output voltage protection featuring the LT3477. The board is optimized to drive 330mA LED arrays with a total LED voltage between the maximum input voltage and 36V. The input voltage range is 2.7V to 16V.
DC841 has overvoltage protection below 36V if the LEDs are open or not properly attached to the terminals on the PCB
対象となる製品
関連資料
- 
                                                                
                                                                    
                                                                                                                                            DC841A - Schematic2009/09/24PDF24K
- 
                                                                
                                                                    
                                                                                                                                            DC841A - Demo Manual2009/09/24PDF265K
- 
                                                                
                                                                    
                                                                                                                                            DC841A - Design File2009/09/24ZIP608K
 
                             
                         
                         
                                                 
                                                 
                                                 
                                                 
                                                



