製品概要
製品概要
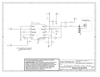
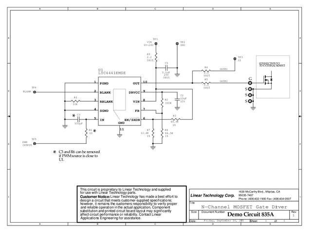
DC835A: Demo Board for the LTC4441 N-Channel MOSFET Gate Driver.
対象となる製品
関連資料
-
DC835A - Schematic2009/09/24PDF20K
-
DC835A - Demo Manual2009/09/24PDF178K
-
DC835A - Design File2009/09/24ZIP584K
