製品概要
製品概要
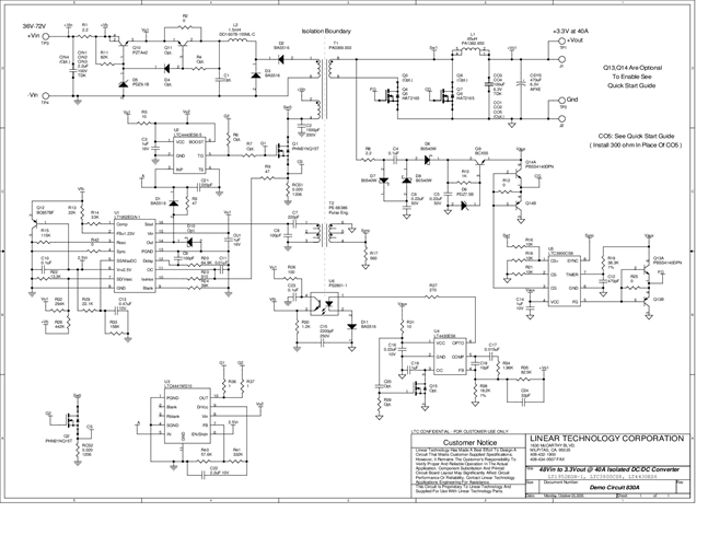
DC830A: Demo Board for the LT1952 Single Switch Synchronous Forward Controller.
対象となる製品
関連資料
-
DC830A - Schematic2009/09/24PDF46K
-
DC830A - Demo Manual2009/09/24PDF741K
-
DC830A - Design File2009/09/24ZIP0K
