製品概要
製品概要
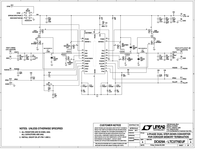
DC829A: Demo Board for the LTC3776 - Dual 2-Phase, No RSENSE Synchronous Controller for DDR/QDR Memory Termination.
対象となる製品
関連資料
- 
                                                                
                                                                    
                                                                                                                                            DC829A - Schematic2009/09/24PDF39K
- 
                                                                
                                                                    
                                                                                                                                            DC829A - Demo Manual2009/09/24PDF1M
- 
                                                                
                                                                    
                                                                                                                                            DC829A - Design File2009/09/24ZIP966K
 
                             
                         
                         
                                                