製品概要
製品概要
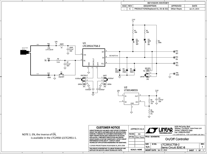
デモ回路826C-Aおよび826C-BはそれぞれLTC2950-2とLTC2951-2を搭載しています。これらは低消費電力で広い入力電圧範囲が特長のプッシュボタン・オン/オフ・コントローラです。プッシュボタン・スイッチは/PBピンをグラウンドに短絡して、/ENピンをローにセットします。/PBを2度目にグラウンドに短絡して以降は、/ENピンをハイにリセットします。/ENピンはDC/DCコンバータ・シャットダウンに接続して回路のオン/オフを制御するために使用されます。オン/オフはDC826C-A/DC826C-Bの緑色のLEDでシミュレーションされます。
関連資料
-
DC826C - Schematic2015/07/21PDF72K
-
DC826C - Demo Manual2015/08/19PDF275K
-
DC826C - Design Files2015/07/21ZIP1M
