製品概要
製品概要
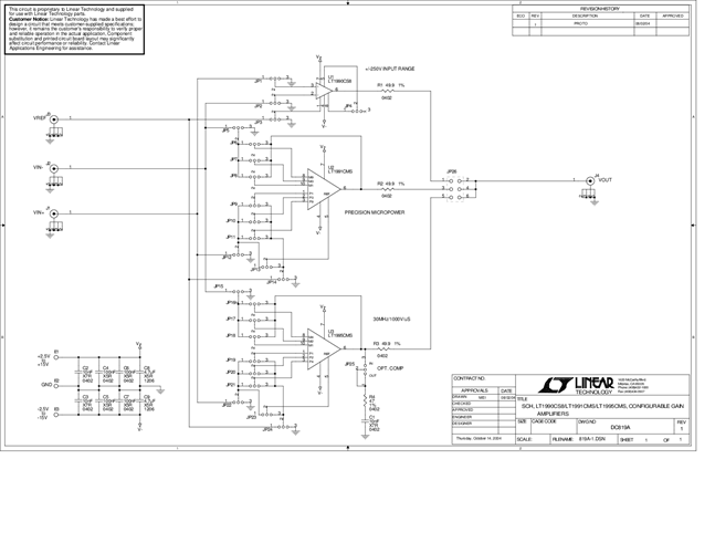
DC819A デモ用ボード:
LT1990±250V 入力範囲、G = 1、10、マイクロパワー、ディファレンス・アンプ
LT1995 30MHz、1000V/µゲイン選択可能アンプ
LT1991精密、100µAゲイン選択可能アンプ
関連資料
-
DC819A - Schematic2009/09/24PDF33K
-
DC819A - Demo Manual2009/09/24PDF232K
-
DC819A - Design File2009/09/24ZIP803K
