製品概要
製品概要
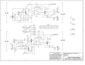
DC815A: Demo Board for the LT6552 3.3V Single Supply Video Difference Amplifier.
対象となる製品
関連資料
-
DC815A - Schematic2009/09/24PDF40K
-
DC815A - Demo Manual2009/09/24PDF351K
-
DC815A - Design File2009/09/24ZIP786K
