製品概要
製品概要
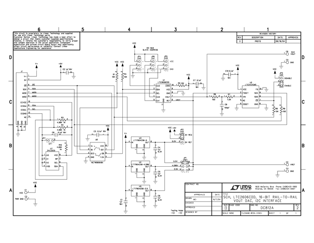
DC812A: Demo Board for the LTC2606 16-Bit Rail-to-Rail DACs with I2C Interface.
関連資料
-
DC812A - Schematic2009/09/24PDF104K
-
DC812A - Demo Manual2013/05/24PDF610K
-
DC812A - Design File2009/09/24ZIP614K





