製品概要
製品概要
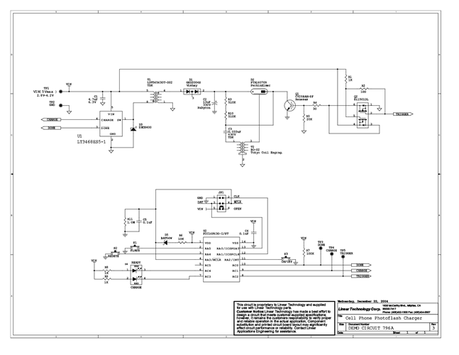
DC796A: Demo Board for the LT3468 Photoflash Capacitor Chargers in ThinSOT.
対象となる製品
関連資料
-
DC796A - Schematic2009/09/24PDF134K
-
DC796A - Demo Manual2009/09/24PDF151K
-
DC796A - Design File2009/09/24ZIP522K
