製品概要
製品概要
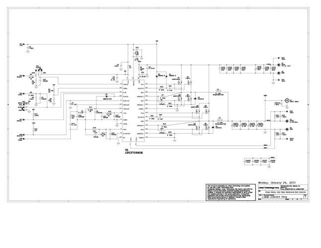
DC793A: Demo Board for the LTC3709 Fast 2-Phase, No RSENSE Synchronous DC/DC Controller with Tracking/Sequencing.
対象となる製品
関連資料
-
DC793A - Schematic2009/09/24PDF295K
-
DC793A - Demo Manual2009/09/24PDF196K
-
DC793A - Design File2009/09/24ZIP1M
