製品概要
製品概要
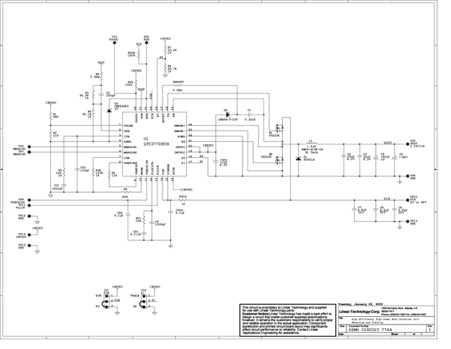
Demonstration circuit 774 is a high efficiency synchronous step-down DC/DC converter featuring the LTC3770EUH No RSENSE controller. It operates with a 5V to 28V input voltage range and provides a 2.5V output at up to 10A.
対象となる製品
関連資料
-
DC774A - Schematic2009/09/24PDF121K
-
DC774A - Demo Manual2009/09/24PDF199K
-
DC774A - Design File2009/09/24ZIP1M
