製品概要
製品概要
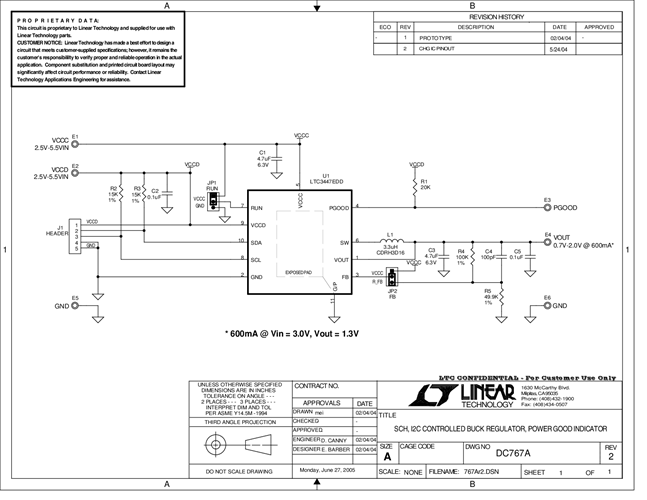
Demonstration Circuit 767 is an I2C-controlled high efficiency synchronous current mode buck regulator featuring the 600mA output LTC3447. The demo board input voltage range is 2.5V to 5.5V. The buck regulator has a programmable output range of 0.7V to 2.00V which is set with an internal 6-bit DAC via the I2C interface. The initial start-up voltage is set to 1.35V but can be change by changing feedback resistors R4 and R5.
対象となる製品
関連資料
-
DC767A - Schematic2009/09/24PDF40K
-
DC767A - Demo Manual2009/09/24PDF191K
-
DC767A - Design File2009/09/24ZIP734K
