関連資料
- 
                                                                
                                                                    
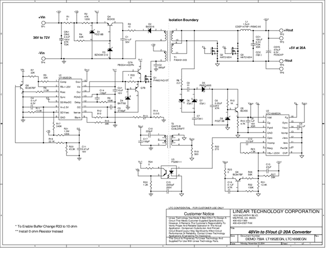
                                                                                                                                            DC759A - Schematic2009/09/24PDF39K
- 
                                                                
                                                                    
                                                                                                                                            DC759A - Demo Manual2009/09/24PDF616K
- 
                                                                
                                                                    
                                                                                                                                            DC759A - Design File2009/09/24ZIP837K
 
                             
                         
                         
                                                