製品概要
製品概要
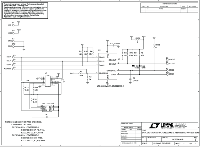
DC757A-B: Demo Board for the LTC4302 Addressable 2-Wire Bus Buffer.
対象となる製品
関連資料
-
DC757A - Schematic2009/09/24PDF59K
-
DC757A - Demo Manual2009/09/24PDF239K
-
DC757A - Design File2009/09/24ZIP728K
