製品概要
製品概要
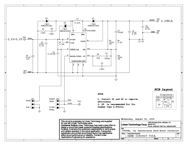
Demonstration Circuit 755 is a constant-frequency synchronous Buck-Boost converter using the LTC3443. The input range is from 2.4V to 5.5V, making it ideal for single-cell lithium-ion or threecell NiCd/NiMH battery applications. This converter provides up to 95% efficiency, much higher than traditional Buck-Boost converters. For 2.5V minimum input voltage, this converter can provide up to 1A load current. The output voltage is set at 3.3V. A different output voltage in the range of 2.4V to 5.25V can be obtained by changing one of the feedback resistors.
対象となる製品
関連資料
-
DC755A - Schematic2009/09/24PDF91K
-
DC755A - Demo Manual2009/09/24PDF248K
-
DC755A - Design File2009/09/24ZIP730K
