製品概要
製品概要
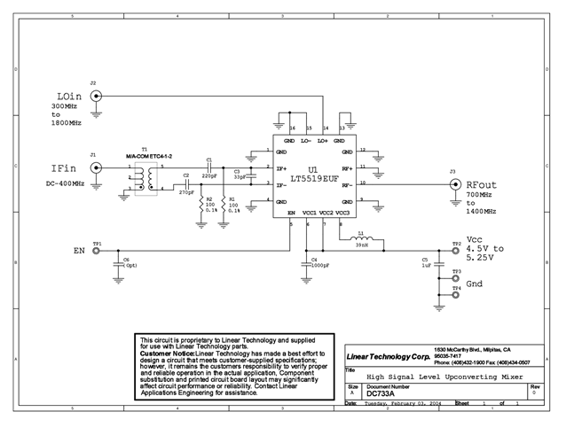
DC733A: Demo Board for the LT5519 0.7GHz to 1.4GHz High Linearity Upconverting Mixer.
対象となる製品
関連資料
-
DC733A - Schematic2009/09/24PDF70K
-
DC733A - Demo Manual2009/09/24PDF542K
-
DC733A - Design File2009/09/24ZIP428K
