製品概要
製品概要
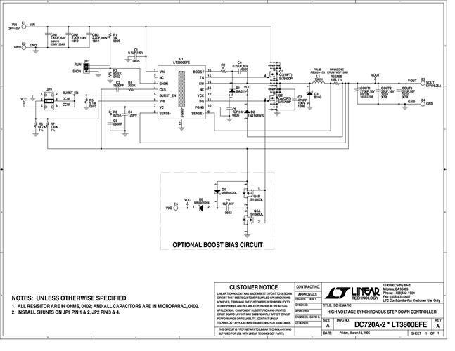
Demonstration Circuit 720 is a 200kHz high voltage, synchronous current-mode DC/DC step-down converter featuring the LT3800. The board operates from a Vin range of 20V to 55V and outputs 12V @ 6.25A (75W).
対象となる製品
関連資料
-
DC720A - Schematic2009/09/24PDF36K
-
DC720A - Demo Manual2009/09/24PDF442K
-
DC720A - Design File2009/09/24ZIP820K
