製品概要
製品概要
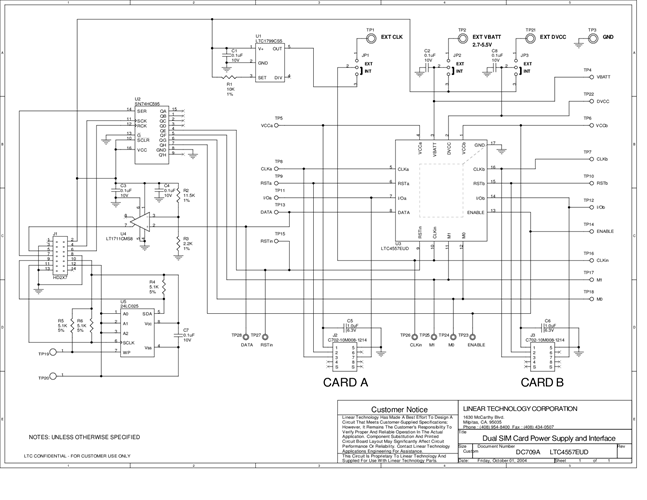
DC709A: Demo Board for the LTC4557 Dual SIM/Smart Card Power Supply and Interface.
対象となる製品
関連資料
-
DC709A - Schematic2009/09/24PDF28K
-
DC709A - Demo Manual2009/09/24PDF676K
-
DC709A - Design File2009/09/24ZIP526K
