製品概要
製品概要
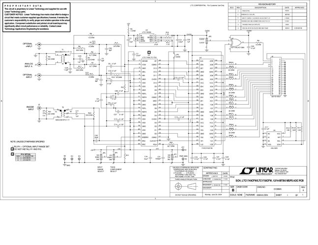
DC699A-B: Demo Board for the LTC1750 14-Bit, 80Msps Wide Bandwidth ADC.
対象となる製品
関連資料
-
DC699A - Schematic2009/09/24PDF54K
-
DC699A - Demo Manual2009/09/24PDF1M
-
DC699A - Design File2009/09/24ZIP1M
