製品概要
製品概要
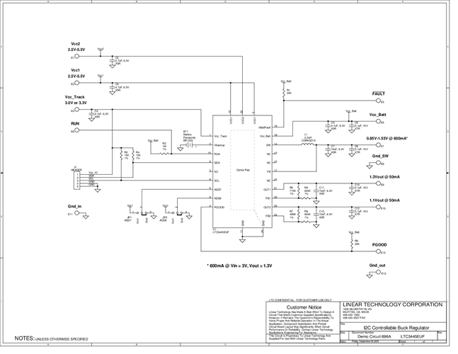
Demonstration Circuit 698 is an I2C-controlled high efficiency 600mA synchronous current mode buck regulator and two 50mA linear regulators featuring the LTC3445. The LTC3445 also features backup/main battery power path selection. The input voltage range is 2.5V to 5.5V. The buck regulator has a programmable output range of 0.85V to 1.55V and the two LDOs provide 1.3V@50mA and 1.1V@ 50mA.
対象となる製品
関連資料
-
DC698A - Schematic2009/09/24PDF23K
-
DC698A - Demo Manual2009/09/24PDF1M
-
DC698A - Design File2009/09/24ZIP541K
