製品概要
製品概要
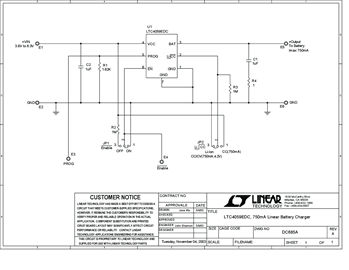
DC685A: Demo Board for the LTC4059/LTC4059A 900mA Linear Li-Ion Battery Chargers with Thermal Regulation in 2 × 2 DFN.
対象となる製品
関連資料
-
DC685A - Schematic2009/09/24PDF51K
-
DC685A - Demo Manual2009/09/24PDF93K
-
DC685A - Design File2009/09/24ZIP394K
