製品概要
製品概要
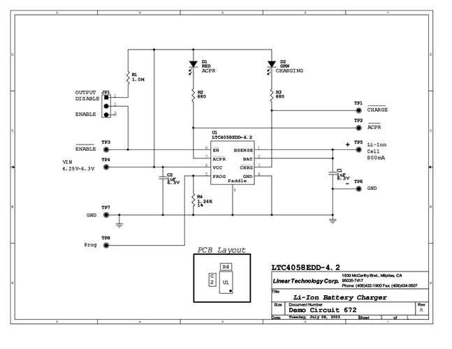
DC672A: Demo Board for the LTC4058-4.2 Standalone Linear Li-Ion Battery Chargers with Thermal Regulation in DFN.
対象となる製品
関連資料
-
DC672A - Schematic2009/09/24PDF45K
-
DC672A - Demo Manual2009/09/24PDF186K
-
DC672A - Design File2009/09/24ZIP508K
