製品概要
製品概要
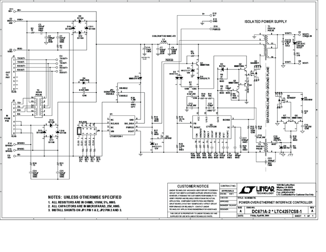
DC671A: Demo Board for the LTC4257-1 IEEE 802.3af PD Power over Ethernet Interface Controller with Dual Current Limit.
対象となる製品
関連資料
-
DC671A - Schematic2009/09/24PDF94K
-
DC671A - Demo Manual2009/09/24PDF408K
-
DC671A - Design File2009/09/24ZIP987K




