製品概要
製品概要
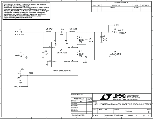
DC670A: Demo Board for the LT3462 Inverting 1.2MHz/2.7MHz DC/DC Converters with Integrated Schottky in ThinSOT.
対象となる製品
関連資料
-
DC670A - Schematic2009/09/24PDF61K
-
DC670A - Demo Manual2009/09/24PDF294K
-
DC670A - Design File2009/09/24ZIP802K
