製品概要
製品概要
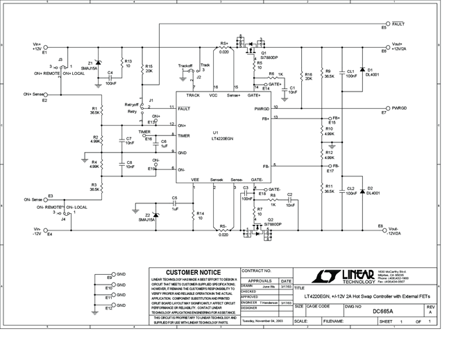
DC665A: Demo Board for the LT4220 Dual Supply Hot Swap Controller.
対象となる製品
関連資料
-
Hot Swap Controllers2023/08/02PDF0 M
-
DC665A - Schematic2009/09/24PDF60K
-
DC665A - Demo Manual2009/09/24PDF142K
-
DC665A - Design File2009/09/24ZIP335K
