製品概要
製品概要
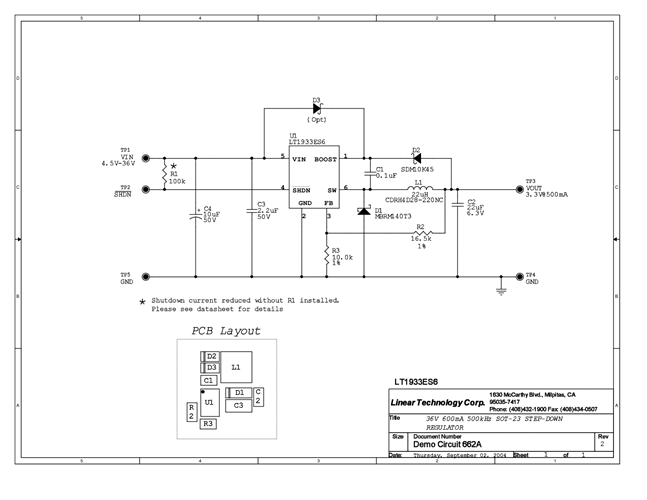
Demonstration circuit 662 is a monolithic step-down DC/DC switching converter featuring the LT1933 in the TSOT-23-6 package. The board is optimized for 3.3V output at up to 500mA load current and requires an input voltage ranging from 4.5V to 36V.
対象となる製品
関連資料
-
DC662A - Schematic2009/09/24PDF49K
-
DC662A - Demo Manual2009/09/24PDF178K
-
DC662A - Design File2009/09/24ZIP537K
