製品概要
製品概要
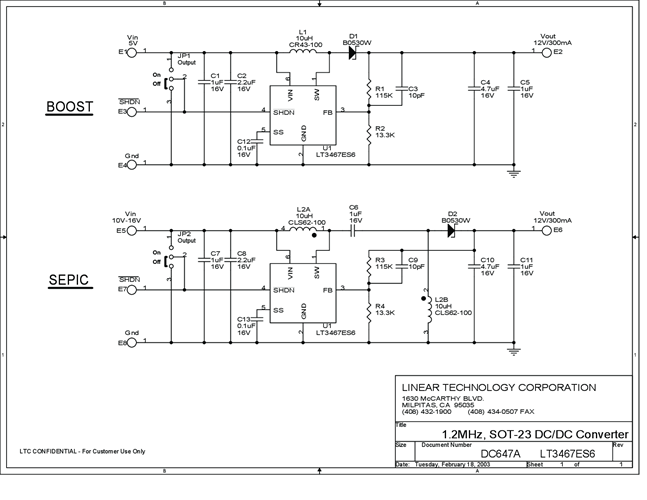
Demonstration circuit 647 is a 1.2MHz, SOT-23 DC/DC Converter featuring the LT3467. The demo board demonstrates two separate DC/DC converters for different application needs. The Boost Circuit is designed to convert a 5V input to 12V output at 300mA maximum load. The SEPIC Circuit generates a constant 12V/300mA output with 10V~16V variable input. Both circuits are designed to demonstrate the soft start feature, advantages of the 1.2MHz switching frequency, the internal 42V/1.1A switch, wide input voltage range and small circuit size.
対象となる製品
関連資料
- 
                                                                
                                                                    
                                                                                                                                            DC647A - Schematic2009/09/24PDF45K
 
- 
                                                                
                                                                    
                                                                                                                                            DC647A - Demo Manual2009/09/24PDF175K
 
- 
                                                                
                                                                    
                                                                                                                                            DC647A - Design File2009/09/24ZIP1M
 
                                                
                                                
                                                
                                                


