製品概要
製品概要
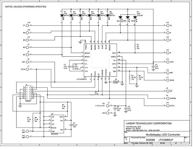
DC629A: Demo Board for the LTC3205 Multi-Display LED Controller.
対象となる製品
関連資料
-
DC629A - Schematic2009/09/24PDF40K
-
DC629A - Demo Manual2009/09/24PDF1M
-
DC629A - Design File2009/09/24ZIP413K
