製品概要
製品概要
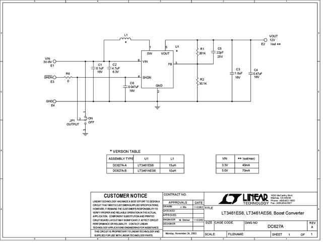
Demonstration circuit 627 features the LT3461/LT3461A in a 12V output boost converter which operates from an input voltage of 3V to 6V. The DC627A-A is for the 1.3MHz switching LT3461, and the DC627A-B is for the 3MHz switching LT3461A. For both boards, the maximum output current is 70mA when powered from a 5.0V input and 40mA when powered from a 3.3V input.
対象となる製品
関連資料
-
DC627A - Schematic2009/09/24PDF51K
-
DC627A - Demo Manual2009/09/24PDF119K
-
DC627A - Design File2009/09/24ZIP459K
