製品概要
製品概要
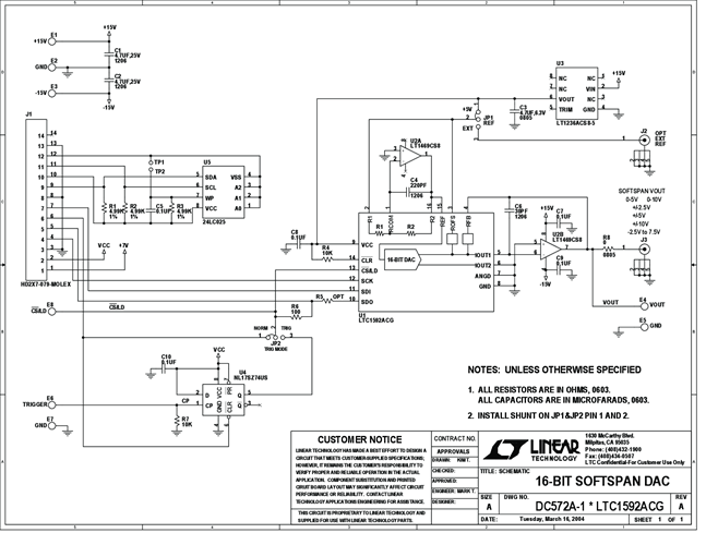
DC572A: Demo Board for the LTC1592 16-Bit SoftSpan DACs with Programmable Output Range.
対象となる製品
関連資料
-
DC572A - Schematic2009/09/24PDF78K
-
DC572A - Demo Manual2009/09/24PDF405K
-
DC572A - Design File2009/09/24ZIP594K





