製品概要
製品概要
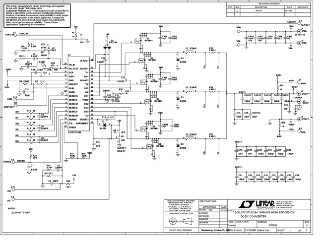
Demonstration circuit 558 is a high current step-down PolyPhaseTM converter featuring the LTC3731 three phase synchronous buck controller. The demo circuit input voltage is from 5V to 14V and output is 1.5V/60A.
対象となる製品
関連資料
-
DC558A - Schematic2009/09/24PDF164K
-
DC558A - Demo Manual2009/09/24PDF142K
-
DC558A - Design File2009/09/24ZIP1M
