製品概要
製品概要
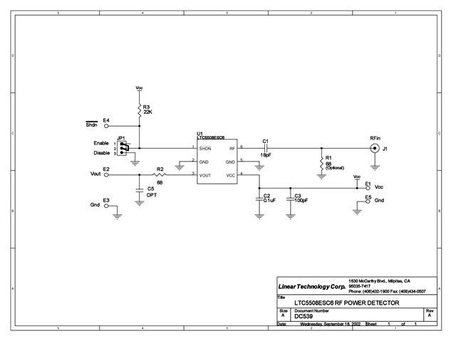
DC539A: Demo Board for the LTC5508 300MHz to 7GHz RF Power Detector with Buffered Output in SC70 Package.
対象となる製品
関連資料
-
DC539A - Schematic2009/09/24PDF40K
-
DC539A - Demo Manual2014/10/08PDF84K
-
DC539A - Design File2009/09/24ZIP535K





