製品概要
製品概要
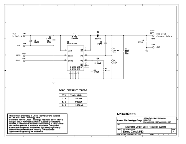
Demonstration circuit 533 is an 800kHz adjustable output boost regulator featuring the LT3436. This current-mode control monolithic (switch included) converter has a wide operating supply voltage of 3V to 25V and a minimum peak switch current rating of 3A, though the demo board has a reduced input voltage range of 3.2V to 12V. It provides 12V at 550mA from a 3.3V input and 12V at 900mA from a 5V input.
対象となる製品
関連資料
-
DC533A - Schematic2009/09/24PDF80K
-
DC533A - Demo Manual2009/09/24PDF1M
-
DC533A - Design File2009/09/24ZIP519K
