製品概要
製品概要
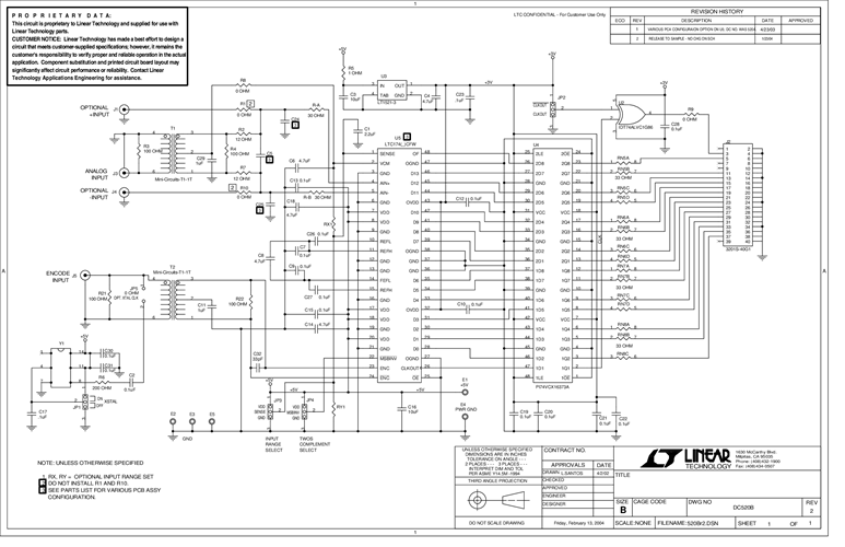
DC520B-G: Demo Board for the LTC1742 14-Bit, 65Msps Low Noise ADC.
対象となる製品
関連資料
- 
                                                                
                                                                    
                                                                                                                                            DC520B - Schematic2012/01/03PDF40K
- 
                                                                
                                                                    
                                                                                                                                            DC520B - Demo Manual2009/09/24PDF479K
- 
                                                                
                                                                    
                                                                                                                                            DC520B - Design File2009/09/24ZIP1M
 
                             
                         
                         
                                                