製品概要
製品概要
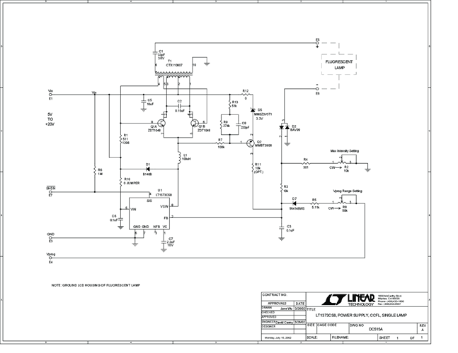
DC515A: Demo Board for the LT1373 250kHz Low Supply Current High Efficiency 1.5A Switching Regulator.
対象となる製品
関連資料
-
DC515A - Schematic2009/09/24PDF42K
-
DC515A - Demo Manual2009/09/24PDF350K
-
DC515A - Design File2009/09/24ZIP499K
