製品概要
製品概要
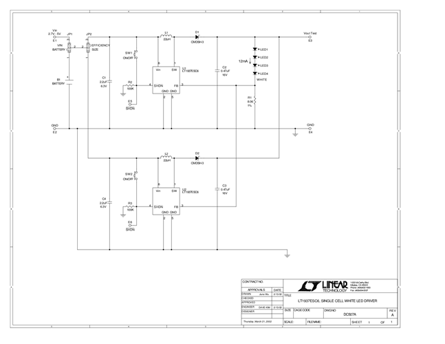
DC507A: Demo Board for the LT1937 White LED Step-Up Converter in SC70 and ThinSOT.
対象となる製品
関連資料
-
DC507A - Schematic2009/09/24PDF18K
-
DC507A - Demo Manual2009/09/24PDF474K
-
DC507A - Design File2009/09/24ZIP875K
