製品概要
製品概要
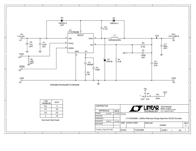
DC502A: Demo Board for the LT1767 Monolithic 1.5A, 1.25MHz Step-Down Switching Regulators.
対象となる製品
関連資料
-
DC502A - Schematic2009/09/24PDF18K
-
DC502A - Demo Manual2009/09/24PDF235K
-
DC502A - Design File2009/09/24ZIP605K
